Netradiční kolesa - 1. část (teorie)

Kategorie
,
Počet komentářů: 5
Netradiční kolesa - 1. část (teorie)

Při stavbě modelu kolesáku Lulonga jsem musel vyřešit konstrukční provedení koles. Nabízela se mi varianta nejjednodušší, ale zároveň nejdražší, a to použít originál stavitelná kolesa od firmy Graupner. Vzhledem k ceně (i tak stavba modelu začala polykat nehorázné peníze za motory, regulátory či speciální detaily jako osvětlení, kormidelní kolo...) jsem se rozhodl postavit kolesa vlastní silou, podobně, jak jsem to už udělal na svém prvním kolesovém parníku Ned Kelly. Přítel Petr Hájek mě ale upozornil na zajímavé ruské stránky firmy, která projektovala kolesové parníky se speciálním tvarováním koles. Jelikož je celý článek docela zajímavý z hlediska pohonu kolesových parníků, snažil jsem se o zkrácený překlad, který tu nejprve uvádím. Jako druhou část uvedu zkušební konstrukci koles pro model.

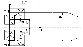
Konstrukce kola v uvedeném kolesovém kormidelně-pohonném systému (DRK) umožňuje změnu směru vektoru tahu změnou poměru rychlosti a smyslu otáčení koles. Jak je vidět na obrázku níže, maximálního točivého momentu lodi může být dosaženo tím, že změníme smysl otáčení lopatkového kolesa v plné rychlosti do opačného směru.


Obrázek v článku


Výrobek firmy Seatech

V praktickém použití mají kolesa uvedeného kolesového kormidelně-pohonného systému daleko robustnější konstrukci, než klasická lopatková kolesa s naklápěcími lopatkami. Přes o něco nižší účinnost proti kolesům s naklápěcími lopatkami vyvinou kolesa podle uvedeného vynálezu daleko větší stálý tlak, což je výhodné zvláště v případě, kdy se uvedený systém použije pro pohon tlačných remorkérů.


Technologické a environmentální vlastnosti kola DRK

Obrázek v článku
Lopatková kola systému KDRK mají pevnou svařovanou unifikovanou konstrukci, která může být postavena ve výrobním závodě a jako hotový blok nainstalována na lodi. Požadavky na přesnost nepřekračují požadavky na stávající výrobu v odvětví stavby lodí. V posledních letech byla rozpracována řada projektů malých plavidel s těmito pohonnými jednotkami. Hmotnostně vychází tyto jednotky lehčí, než kolesa s natáčivými lopatkami stejných rozměrů, pokud se ovšem nevyžaduje zesílení pro plavbu v ledu. Konstrukce je technologicky zvládnuta a je spolehlivá jednoduchá na údržbu. Kolesový DRK - na rozdíl od šroubu - umožňuje kontrolu a opravu bez dokování lodě.

Obrázek v článku
Pro zvýšení účinnosti v případě použití KDRK u osobních lodí můžou být lopatková kola ve formě komolých kuželů na vnějším okraji s menším průměrem než vnitřní okraj (v blízkosti střední osy lodě - ?? viz obrázek). V tomto případě má lopatka axiální šroubovicový tvar s optimálním úhlem vstupu do vody na okraji vnějšího obvodu kola a optimálním úhlem výstupu zadní hrany lopatky z vody na vnitřním obvodu kolesa (pro předpokládané rychlosti lodi).

Při použití KDRK u tlačných remorkérů pro zvýšení hnací účinnosti jejich pohonu může být rám lopatkového kola vybaven zařízením na usměrnění výstupního proudu vody s nastavováním úhlu náběhu a jeho zvedáním nad hladinu vody.

Pro použití v extrémních podmínkách (např. u lodí, u kterých se předpokládá plavba v ledu či u ledoborců) jsou vyráběny masivní rámy s kolesy z vysokopevnostních materiálů.


Trakční a výkonové charakteristiky dosahované kolesovým systémem DRK

Z praxe je známo, že specifický trakční koeficient (součinitel tažné síly) u lopatkových koles při zvyšování odporu proti pohybu se zvětšuje 1,5 až 2 krát.

Při stejném výkonu bude mít loď s pohonnou jednotkou DRK rychlejší akceleraci ve srovnání s lodí, která má lodní šroub nebo vodometnou pohonnou jednotku.


Obrázek v článku

Zvětšení délky lopatek, případně zvětšení rozvoru pohonné jednotky kromě zlepšení ovladatelnosti způsobí zvýšení trakční síly a zlepšení trakčních charakteristik DRK díky strhávání vody s boků lodě a stlačení proudu vody. Pro snížení ztrát a zvýšení rychlosti vyvrhovaného proudu vody (a tedy rychlosti plavidla) konstruují se kolesa DRK v podobě komolého kužele.

Vodní částice zachycené lopatkou kolesa se v momentu hrábnutí přemísťují podél povrchu lopatky směrem k ose lodi DP (??) a získávají postupně zrychlení tak, jak se průměr lopatkového kolesa zvětšuje a tím úměrně i obvodová rychlost lopatek od boků směrem k ose lodi.

Vzrůstající rychlost vyvrhovaného vodního paprsku snižuje tvorbu vodní vlny za kolesem a zvedání vody kolesy na výstupu. K tomuto také dopomáhá axiálně-šroubový tvar lopatek.

Ve všech režimech pohybu plavidla se zajišťuje maximální trakční výkon DRK díky optimálním hodnotám ponoření lopatkových koles pomocí systému zvedání a spouštění rámu. Při konstrukci zadokolesového tlačného remorkéru mohou být použity usměrňovače vodního paprsku, které zvyšují na trakční koeficient do 25 %.




Obrázek v článku

Vedle technických výhod kolesových DRK budou mít tyto lodě i výhody ekologické, projevující se mírnějším dopadem na flóru a faunu v oblasti životního prostředí, neboť rychlost částic vody protékající vodním kolesem je o řád nižší než v lodním šroubu. Malý ponor a schopnost samostatného uvolnění z mělčiny lodí se systémem KDRK snižují požadavky na objem bagrování dna při udržování plavbyschopnosti na vodních cestách.


Zdroj

Wheelships.ru

Pro MoNaKo tomarack


Na začátek článku

Komentáře

co to je?
lama

environmentální vlastnosti

Re: co to je?
jersey.se

Ten obrat je opravdu (a nejen v češtině) poněkud směšný, ale bohužel se poměrně zhusta používá v moderním zmrdinewspeaku a znamená ve skutečnosti soubor vlivů, kterým dané zařízení působí na prostředí, které ho obklopuje.

Re: Re: co to je?
ladous

Osobně jsem tento výraz poprvé zaznamenal až po vstupu do EU, a to konkrétně na různých cedulích a v PR článcích ohledně toho, že to či to financovala EU...



Dnes stejný přívlastek najdeme i v názvu školního předmětu... Ale to už od lodních modelů hodně odbočujeme.



Už se těším na to, jak se s těmito kolesy popral tomarack v praxi.

environmentální
petr hájek

tak kolegové jako člen greenpeace, musím říci že dopad na životní prostředí mají kolesa asi opravdu menší než šroub a to v poměru zhruba takovém jako když se použije na míchání těsta mixér nebo vařečka...... a z pohledu modeláře je to krásný kus techniky a uplatnení vylepšení na prastarý princip pohonu.

každopádně dost mě udivuje že zrovna slovíčko ,,environmentální,, se zakouslo do závitů modelaříků zde komentujících více než samotný princip těchto koles a možnosti jejich modelového ztvárnění

zdraví .

ufon

carrot

teoretický článek jsem se zpoceným čelem přelouskal a nakonec i pochopil a teď už se těším na druhý díl-ten praktický.

Článku dávám známku 1-. To mínus je za použití hnusného cizího slova enviromentální, které nemám rád.... :-)))) Promiň Tome, jenom rýpu. Vím co dá za práci překlad tak, aby dával smysl. Díky za každý jiný článek, než jsou reportáže.



carrot

Vladyka models

DSYS

MODELA PRAHA s.r.o.

Modely lodí

RCMania.cz = vše o modelářství

Licence Creative Commons

TOPlist

Odběr novinek e-mailem

The subscriber's email address.